上海微通流体控制技术有限公司
设为首页    |     收藏本站
联系方式
您当前的位置:首页 > 资料专区 > Burkert 充电专区 > 文章详情页
Burkert 充电专区
联系我们
免费电话 客服热线 客服传真 在线客服 免费电话
热门产品
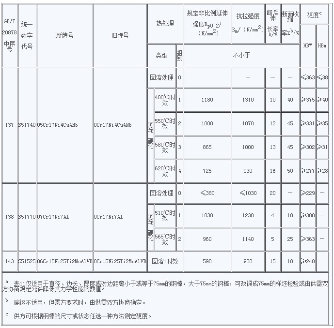
国内阀门材料常用技术标准 沉淀硬化型钢棒或试样的力学性能
来源:http://www.vt-v.com2016/3/2 13:51:44

国内阀门材料常用技术标准 沉淀硬化型钢棒或试样的力学性能

 

Copyright © 2005-2017  宝 德  All Rights Reserved.

咨询 Q Q:79238737

销售热线:13621973906(微信同号)  联系人:陈工

询价邮箱:ctj539@163.com

公司地址:上海市松江区九泾路655号嘉南红塔广场3-710室