上海微通流体控制技术有限公司
设为首页    |     收藏本站
联系方式
您当前的位置:首页 > 资料专区 > Burkert 过程控制阀 > 文章详情页
Burkert 过程控制阀
联系我们
免费电话 客服热线 客服传真 在线客服 免费电话
热门产品
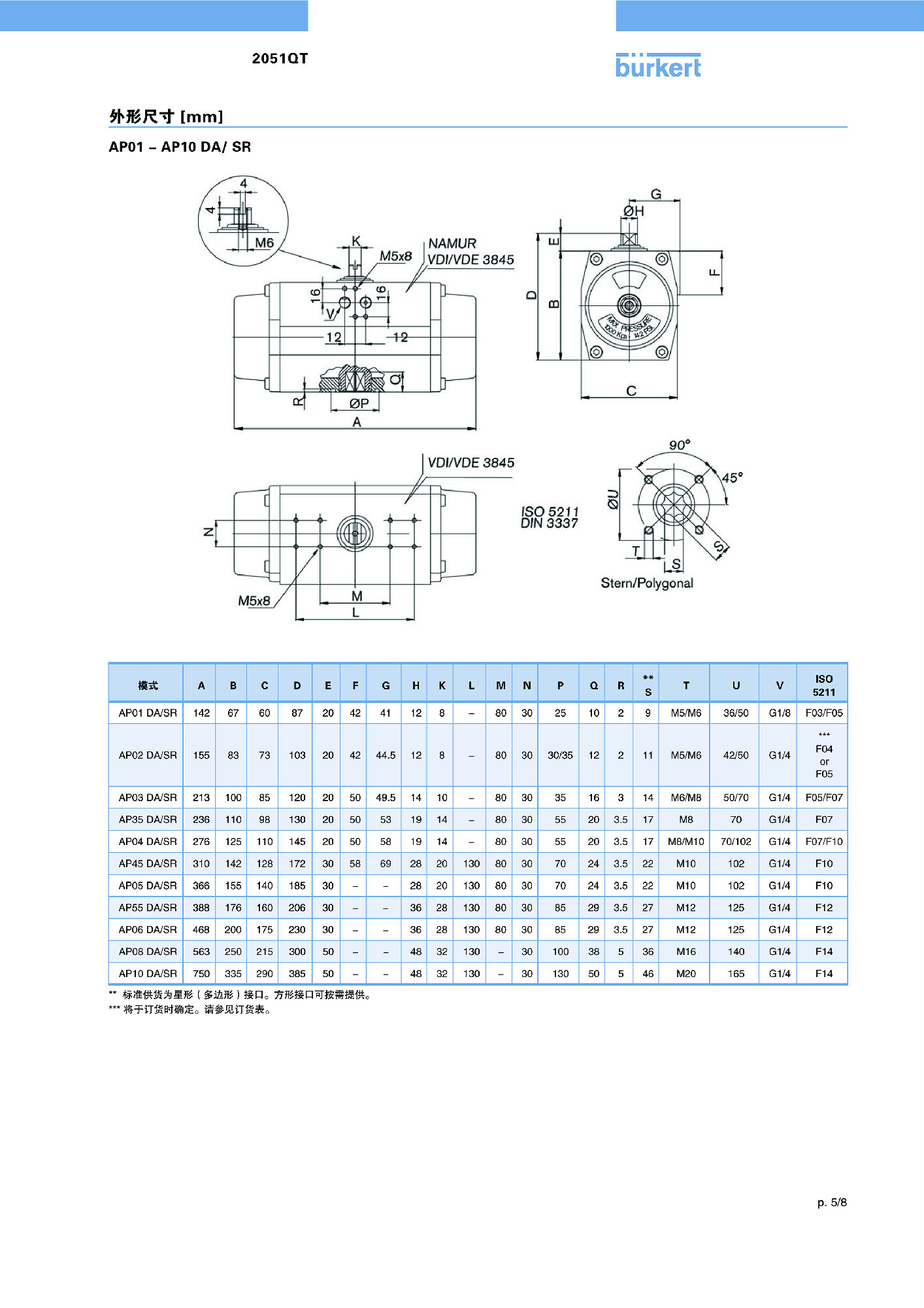
【中文样本】2051型气动执行器-气动摆动驱动装置
来源:http://www.vt-v.com2016/6/22 13:58:25

气动摆动驱动装置 2051,由一个单作用或双作用的气动线性活塞驱动装置构成,具有一个用于连接旋转件的内部联轴器以及一个符合 ISO 5211 的通用机械接口。当活塞在控制空气的压力作用下或复位弹簧的弹力作用下做线性运动时,驱动轴会在联轴器的作用下旋转 90°。该旋转运动可用于操作相应的调整元件,比如球阀、活瓣等。驱动装置具有一个用于显示旋转位置的光学指示器。驱动装置免维护。

适合安装在阀件(比如球阀和截止阀)的模块化产品
符合 NAMUR 和 ISO 5211 的接口
位置反馈,还有防爆结构类型
SIDE 控制定位器的安装

 

Copyright © 2005-2017  宝 德  All Rights Reserved.

咨询 Q Q:79238737

销售热线:13621973906(微信同号)  联系人:陈工

询价邮箱:ctj539@163.com

公司地址:上海市松江区九泾路655号嘉南红塔广场3-710室