上海微通流体控制技术有限公司
设为首页    |     收藏本站
联系方式
您当前的位置:首页 > 资料专区 > Burkert 常规电磁阀 > 文章详情页
Burkert 常规电磁阀
联系我们
免费电话 客服热线 客服传真 在线客服 免费电话
热门产品
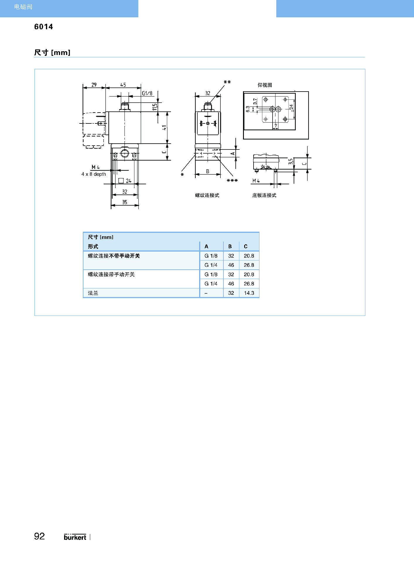
【中文样本】6014型直动式两位三通柱塞电磁阀
来源:http://www.vt-v.com2016/5/23 11:02:05

6014为直动式柱塞电磁阀。止动器与柱塞导管焊接在一起,以提高耐压性和密封性。根据不同的应用,可以选择各种密封材质。Bürkert专用底板接口使该阀可组合安装在底板上,节省空间。电磁线圈采用聚酰胺或耐化学腐蚀的环氧树脂封装。具有脉冲线圈式,用以降低功耗。可选带手动开关式,用于快速调试和方便维护。与 DIN EN 17301-803 A 型电缆插头配套,该阀的安全防护等级为 IP65,不锈钢阀体式 NEMA 4X。

直动式紧凑型电磁阀,最大通径 DN 2.5
防震线圈
Banjo 螺纹接口式可直接安装在气动阀上
使用方便的手动开关
节能脉冲式

 

Copyright © 2005-2017  宝 德  All Rights Reserved.

咨询 Q Q:79238737

销售热线:13621973906(微信同号)  联系人:陈工

询价邮箱:ctj539@163.com

公司地址:上海市松江区九泾路655号嘉南红塔广场3-710室