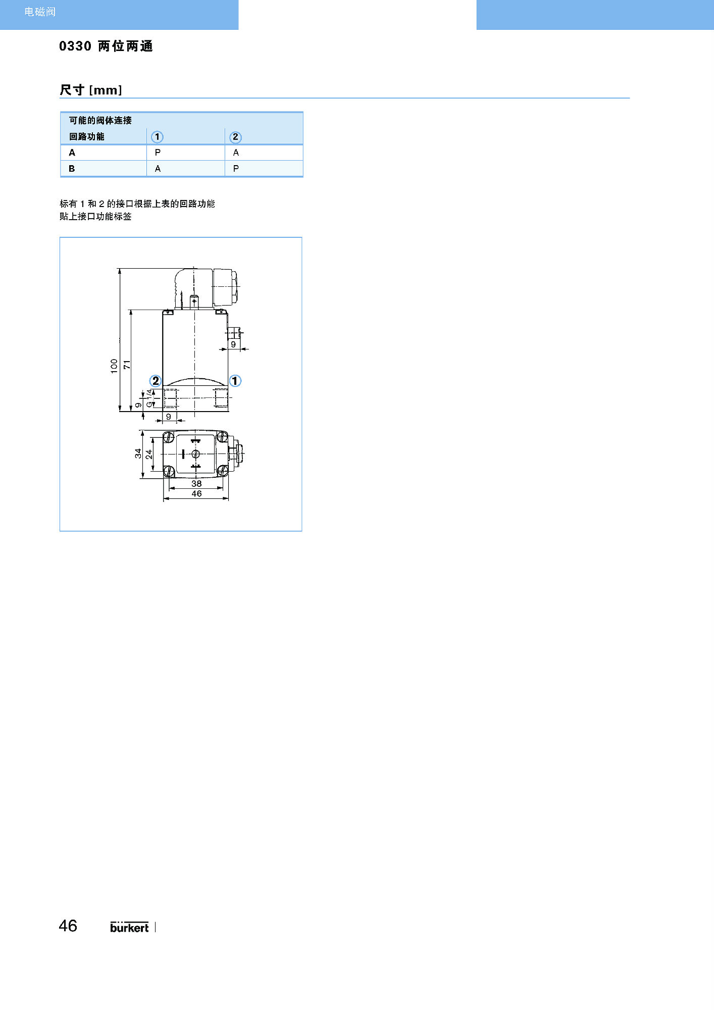
0330 为直动式、介质隔离的转动衔铁电磁阀。两位两通和两位三通式。两位三通式可用作分配阀或混合阀。根据不同的应用,可以选择各种膜片材质和工作方式。标准供货的黄铜阀体符合所有欧洲饮用水标准的要求。阀体材质还有不锈钢(316L)、PVDF 和聚丙烯。电磁线圈采用耐化学腐蚀的环氧树脂封装。0330 型配备了手动开关,可用于调试和测试。如有节能要求,所有线圈都可提供节电式,或脉冲式。开关状态可以通过位置反馈以二进制或 NAMUR 信号显示。与 DIN EN 17301-803 A 型电缆插头配套,该阀的安全防护等级为 IP65/67,不锈钢或塑料阀体式 NEMA 4X。
直动式介质隔离电磁阀,最大通径 DN 5
免维护转动衔铁技术
防震线圈
适用于腐蚀性碱液和酸液
手动开关结构坚固、使用方便


